Inserto A Legna 14,5 Kw PIAZZETTA ME 70 Camino Arredo Compatto
Non Disponibile
- SKU
- GRPPPZZTT/P04907000C
Descrizione / Inserto A Legna 14,5 Kw PIAZZETTA ME 70 Camino Arredo Compatto
Nuova gamma di monoblocchi di design.
Anta minimalista con profili di spessore ridotto.
Nuovo sistema di saliscendi con innovativo e calibrato movimento.
Focolare interamente rivestito in Aluker, registro fumi integrato.
Scambiatore superiore compatto e di altezza ridotta per una facile installazione.
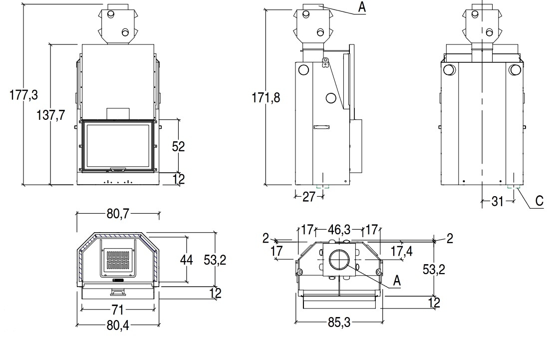
CARATTERISTICHE GENERALI
• Riscaldamento: convezione naturale, irraggiamento o ventilazione forzata optional mediante Multifuoco System® o Multifuoco System Plus singolo o doppio, canalizzabile
• Struttura: acciaio verniciato con focolare chiuso
• Focolare: Aluker®
• Piano fuoco: ghisa
• Cappa: acciaio
• Apertura: porta in acciaio verniciato con vetro ceramico autopulente resistente a 750°C. Apribile a ribalta per la pulizia
• Profilo porta: per finitura in cartongesso, in acciaio verniciato profondo 12 cm
• Maniglia: acciaio verniciato, removibile
• Aria primaria: regolabile manualmente
• Aria secondaria: predeterminata
• Registro fumi: valvola ad apertura manuale, con comando sul monoblocco
• Scarico fumi di serie posizione: superiore
• Combustibile: legna
• Kit aria comburente: optional
DATI TECNICI
• Classe di efficienza energetica A+
• Potenza nominale max kW 14,5
• Rendimento termico potenza nominale % 88
• Consumo nominale max kg/h 4,0
• Peso kg 224
• Peso con mantello convettivo kg 260

Maggiori Informazioni
| Potenza (kW) | da 11kW a 15kW |
|---|---|
| Metri Quadri | Da 111 a 150 Mq |